產品中心
Product Center
指示正壓、負壓和差壓,2%精度,磁螺旋技術無磨損,堅固耐用
BESTACE P2000系列微差壓表,是利用簡單、無摩擦的磁螺旋運動,以橡膠膜片作為敏感元件而進行測量工作的彈性式壓力表,它能利用指針迅速指示出被測氣體的壓力,無論是正壓、負壓或差壓。此設計具有防震、搖動和過壓的功能。而且表內無需充注液體,也就沒有氣化、凍結、異味的問題出現。
應用及案例
P2000系列差壓表廣泛應用于測量風扇和鼓風機的壓力、過濾器阻力、風速、爐壓、孔板差壓、氣泡水位及液體放大器或液壓系統壓力等,同時也用于燃燒過程中的空氣煤氣比值控制及自動閥控制,以及醫療保健設備中的血壓和呼吸壓力監測。
產品特色
● 久經考驗的磁鏈接原理
● 清晰易讀的4"大表盤
● 指示精度為2% F.S
● 差壓、正壓、負壓、正負壓皆可
● 三年質保,免費更換
量 程 30Pa——30kPa,有85種
精 度 標準為±2%F.S
(60Pa~125Pa為±4%F.S)
環境溫度 -7~60℃
額定壓力 -68~100kPa
過 壓 約172kPa時橡膠過壓塞被沖開。
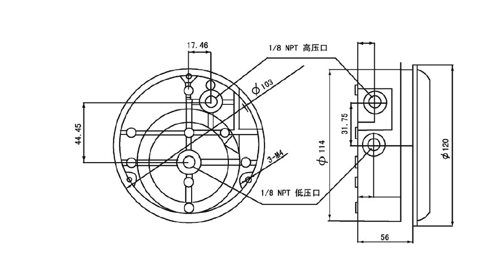
過程連接 高壓和低壓孔均為1/8″錐管螺紋,兩組(側面和背面各一組)
外殼材質 壓模鑄鋁或含尼龍的ABS塑料
重 量 460g(鋁) 275g(ABS)
標準附件 2個1/8″NPT堵頭
2個1/8″螺紋橡膠管接頭
3個帶螺釘的嵌入式安裝螺釘卡
● 可調信號標志選項(免費)
裝在釋放塞下面的黑色指針可用于在現場標記出臨界壓力,以提示操作人員臨界壓力點
● 前面板加裝過壓釋放塞(免費)
由硅橡膠制成,為額定壓力為15PSI的差壓表提供過壓保護。在約25PSI時打開。
● 低成本ABS外殼
在大批量低成本的應用中,可選ABS外殼。
● 低溫選項
專用于在低溫環境下使用,低至-40℃
● 中/高壓應用(可承受35和80PSI的壓力)
不帶過壓釋放塞,殼體規格27×63.5mm
● 靜壓探頭測量選件
提供6″,8″,12″三種長度的靜壓探頭
● 安裝支架選件
嵌入式/表面式/管道式三種支架
● 可選天然氣
專用于天然氣的膜片和表罩,規格27×63.5mm
● 紅/黃/綠彩色
表盤采用醒目的顏色標出重要壓力區域,需定制
1


選型示例 P2000-60PA-ABS-A610
含 義 基本型號 - 量程代碼 - 選項1 - 選項2 - ...
