產品中心
Product Center
量程20Pa至2500Pa,性價比高,可視現場調節
501 壓力開關能感應微小的壓力變化,廣泛用于需控制空氣流動的通風裝置,如:監測風扇或空調系統等;該開關還適用于工業制冷系統的加熱保護和霜凍保護。501 具有外保護罩,精確可視的現場調節功能。
應用及案例
流量控制過濾器
控制可變氣體容積系統中的最大氣流
通風管中氣體監測
燃燒爐中氣體控制
產品特色
● 價格低廉,經濟適用
● 安裝便捷、提供標準安裝
● 附件可視化開關點設定
● 只有一個螺絲固定外殼
量 程 20Pa~2500Pa
壓力極限 10KPa
工作溫度 - 40℃~ 85℃
防護等級 IP54
開關類型 單刀雙擲(SPDT)
重 量 190g
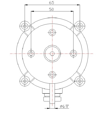
安裝方式 垂直安裝
觸點容量 阻抗<50mA 感抗:1.5A@250V
接線端子 6.3mm直插端子或螺絲連接
過程連接 6.0mm外徑軟管
安裝附件 取壓管(8cm)2個
螺絲釘 4個
引壓軟管(1.5M)
1
1


1
1
選型示例 501-2
