產品中心
Product Center
高精度,小巧,可靠和低成本的組合
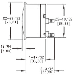
BESTACE P5000系列迷你緊湊型微差壓表采用可變透鏡表盤設計,尺寸小巧但便于讀數。直徑2-5/8″的單孔即可實現產品的面板安裝。P5000外殼為含玻璃纖維的ABS,價位低但能確保足夠精度和可靠性。標準壓力連接是適合于3/16″ID管道的帶毛刺裝置;可安全操作的壓力達30PSI。產品的過壓保護是通過與隔膜相連的氣膜來實現的。事故發生時的過大壓力也不會損壞產品。
應用及案例
P5000應用包括生物安全柜,潔凈工作臺,工業吸塵器,爐灰清洗,醫療呼吸治療設備,空氣取樣器,薄片流體罩和電子空氣制冷系統。作為一個空氣過濾表,產品可作為末端裝置用于大型固定發動機,壓縮機,通風設備,空氣處理裝置。
產品特色
● 久經考驗的磁鏈接原理
● 2-5/8″開孔即可實現面板安裝。
● 指示精度高5%F.S
● 可變透鏡表盤便于讀數
● 高靜壓30PSI
● 低成本
應用介質 空氣及兼容氣體
外 殼 尼龍玻璃;聚碳酸酯透鏡
精 度 20±5℃條件下,±5%F.S
壓力范圍 30psi(2.067bar)
溫度范圍 -6.67到48.9℃
尺 寸 表盤直徑52.39mm(2-1/16″)
安裝方向 隔膜垂直放置其它位置安裝咨詢工廠
過程連接 帶毛刺,適合于3/16″ID
重 量 170.1g(6盎司)
1
1

1
選型示例 P5000-20MM
含 義 基本型號 - 量程代碼
