產品中心
Product Center
量程從0-40KPa到0-3MPa,采用陶瓷壓阻技術,性能穩定,耐強酸強堿,靈敏度高,IP65防護等級
Twin-Tiger P301系列防腐型壓力變送器采用系列耐腐蝕壓力傳感器采用陶瓷壓阻芯片、耐強酸強堿的高聚合物密度材質有防腐蝕電纜,在37%HCL鹽酸中浸泡兩年的實驗中無異常現象,主要用于自來水消毒用氯氣、化工、電池設備等介質為強酸、強堿等有強腐蝕性的行業、以及食品衛生、醫療等行業的壓力測量與控制。
此類傳感器通常也稱為:耐腐蝕壓力傳感器、耐腐蝕壓力變送器、防腐壓力傳感器、硫酸壓力傳感器、鹽酸壓力傳感器、硫酸壓力變送器、鹽酸壓力變送器。
應用及案例
海洋工程
食品制藥
環境監測
給排水
石油化工
半導體
陶瓷壓阻技術
耐強酸強堿
IP65防護等級
防雷擊,抗干擾能力強
耐沖擊
體積小巧
量程 0-40KPa到0-3MPa(表壓)
介質 氣體、液體、強酸強堿
精度 ±0.5%FS、±1.0%FS
環境溫度 -20℃-60℃
介質溫度 -20℃-60℃
溫度補償 -20℃-60℃
溫度漂移 ±0.01%FS/℃(溫度補償范圍內)
過載能力 1.2×FS
供電 10-30VDC
輸出信號 4-20mA、0-5V、0-10V、RS485
長期穩定性 ±0.1%FS/年
負載能力 電流型負載≤800Ω,電壓型負載≥50KΩ
電氣連接 耐腐蝕電纜直接出線
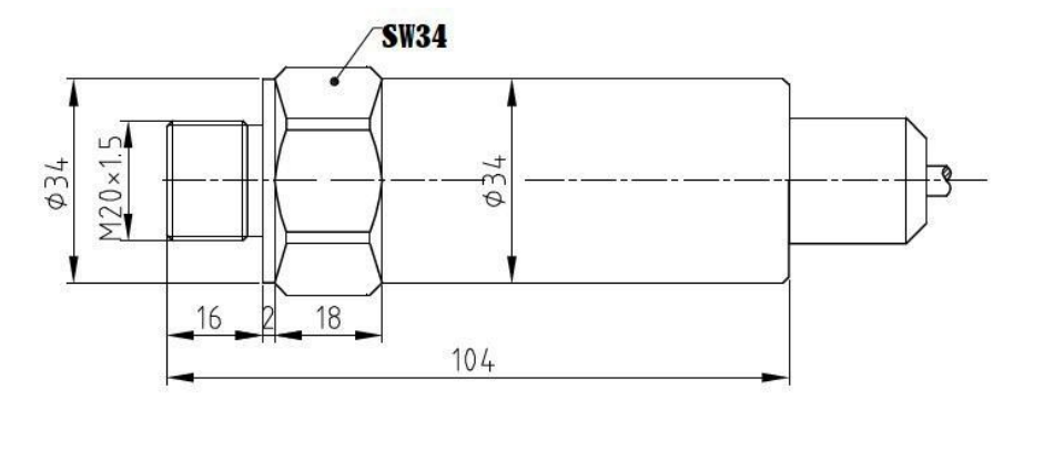
過程連接 1/4G外螺紋、M16*1.5外螺紋、M20*1.5外螺紋等
防護等級 IP65
振動影響 在機械振動頻率20Hz-1000Hz內,輸出變化小于0.1%FS
絕緣電阻 ≥2000MΩ(100VDC)


